Kamis, 20 Februari 2020

Runway Lighting Circuit Diagram


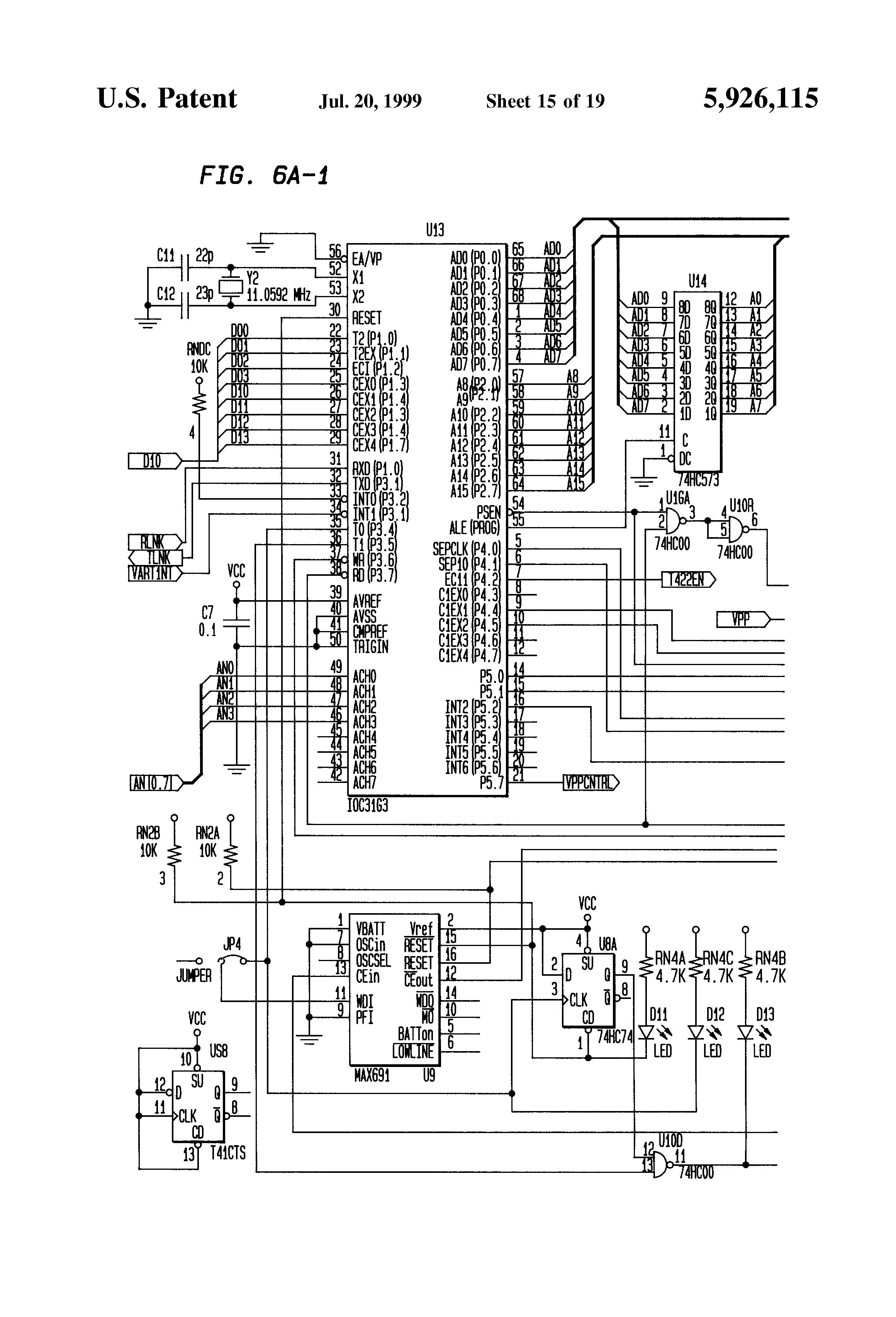
Patent US5926115 - Airfield series circuit communications

εδΈ€ζœˆ | 2015 | sweetcandyshe

ac 150 5340 30h design and installation details for. ac 150 5340 30g design and installation details for airport visual aids dated september 21 2012 is cancelled 3 application the federal aviation administration faa recommends the guidance and specifications in this ac for the design and installation details for airport visual aids in general use of this ac is not mandatory.

faa airport diagrams. faa home airports runway safety airport diagrams faa airport diagrams share on facebook tweet on twitter the fields below comprise a list of search parameters for searching the faa diagrams site please enter your search criteria and then click on search. airport and runway lights explained. series circuit wiring the loop formed by routing a single wire from the constant current regulator source to each load one after the other and returning to the source simplifies the series lighting circuit wiring these circuits use underground construction methods placing them in raceways or by direct burial. images of runway lighting circuit diagram. 6 1 interleaving of aerodrome lighting circuits 6 1 1 article 8 2 of annex 14 specifies that for a precision approach runway the electrical circuits be designed so that the failure of one circuit will not leave the pilot without visual guidance and will not result in a misleading pattern to this end every approach and runway. series lighting circuitry why use it ec m. on runways with both approach lighting and runway lighting runway edge lights taxiway lights etc systems the approach lighting system takes precedence for air to ground radio control over the runway lighting system which is set at a predetermined intensity step based on expected visibility conditions. chapter 6 circuitry 6 1 interleaving of aerodrome lighting. note the simplified short approach lighting system with runway alignment indicator lights ssalr appears identical to the malsr it is an older system used when category i conditions exist on category ii designated runways with a dual mode approach lighting system alsf 2 ssalr example kteb rwy 06.

airport lighting cfinotebook net. ufc 3 535 02 xx october 2001 unified facilities criteria ufc design drawings for visual air navigation facilities u s army corps of engineers naval facilities engineering command. approach lighting system. 01 10 2016 why do the wingtips fold and what are the benefits explained by captain joe duration 12 05 captain joe 463 854 views. design drawings for visual air navigation facilities. 02 07 2008 this video addresses the basics of safely working with high voltage airfield lighting specific topics include re lamping lighting fixtures and understanding the role of isolation transformers. runway lighting explained youtube. airfield electrical safety youtube.

runway adalah,runway airport,runway anime,runway analysis manual,runway angel victoria secret review,runway adisucipto,runway adi sumarmo,runway apartments,runway auto,runway at night,lighting adalah,lighting arrester,lighting artinya,lighting armor case,lighting aputure,lightening atau lightning,lighting australia,lighting arri,lighting aquascape,lighting and shading in computer graphics,circuit adalah,circuit analysis,cricut australia,cricut alternative,circuit app,circuit arcade bar,cricut air 2,circuit apartments,circuit analyzer,circuit abbreviation,diagram alir,diagram alir penelitian,diagram adalah,diagram activity,diagram alir adalah,diagram aktivitas,diagram alir proses produksi,diagram analisis swot,diagram alir data,diagram alir online


NEXT ARTICLE Next Post
PREVIOUS ARTICLE Previous Post
NEXT ARTICLE Next Post
PREVIOUS ARTICLE Previous Post